CHAPITRE 6   

LES AMPLIFICATEURS OPERATIONNELS

 PRESENTATION
 FICHE EXERCICES
 CORRECTION
 C'est quoi un AOP ?
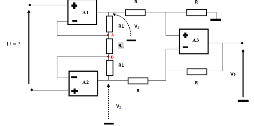
 C'est quoi un AOP INSTRUMENTATION ?
 TP - CARACTERISTIQUES AOP
 TP - AOP INVERSEUR NON INVERSEUR
 TP- AOP ADDITIONNEUR SOUSTRACTEUR